DANA SPICER 3-28-777 Weld Yoke 1350 Series to fit 2 inch .120 wall tube
3-28-0777
DANA SPICER 3-28-777
1350 Series Weld Yoke
Pricing:
$43.95
Description
DANA SPICER 3-28-777
1350 Series Weld Yoke
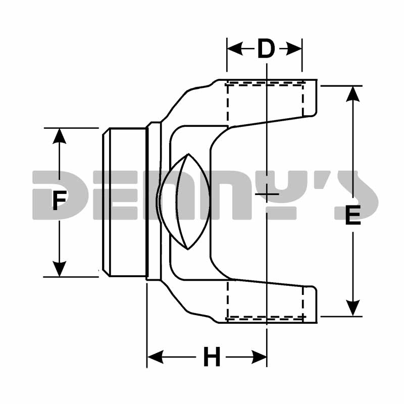
- Fits 2.0 inch OD X .120 wall tubing
- F - Butt Diameter = 1.771
- F - Butt Diameter = 1.771
- Series = 1350
- Lock up style = OUTSIDE SNAP RING
- E - Universal Joint Width = 3.625
- D - Universal Joint Bore = 1.187
- H - Center of u-joint bore to point of weld = 2.125
- Special Notes: USE KIT 5-178X, 5-1350X
CLICK HERE : For ALL DANA SPICER Weld Yoke Part Numbers, Specifications and Dimensions

Details
- 3-28-0777
- 3-28-0777
- Spicer
- Available
- New
Categories
- Driveline Parts - BUILD IT YOURSELF - PARTS LISTS - 1350 SPLINE and SLIP DRIVESHAFT
- BUILD IT YOURSELF - PARTS LISTS - 1350 SPLINE and SLIP DRIVESHAFT - BUILD 1350 SERIES with 2 INCH DIAMETER TUBE
- 1350 SPLINE and SLIP DRIVESHAFT - BUILD 1350 SERIES with 2 INCH DIAMETER TUBE - TUBING, WELD YOKE, U-JOINTS
- Driveline Parts - BUILD IT YOURSELF - PARTS LISTS
Shipping Information
- Item Requires Shipping
- 3.0 lbs.
- W4.0000” x H4.0000” x L3.0000”